
圖2-1 螺旋輸送機
(傾斜10o)總體布置方式
1.電動機 2.聯軸器 3.蝸輪蝸桿減速器 4 .聯軸器 5.驅動端軸承
6.中間吊掛軸承 7.尾部端軸承 8.螺旋軸 9.進料口 10.卸料口
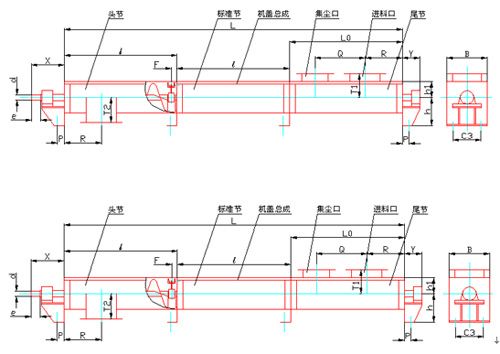
由于設計的螺旋輸送機的長度為12米。為了制造,安裝以及運輸的方便,其槽體和螺旋軸均采取分節制造,頭節長2.5米,接著是2.5米、2米、2.5米長的中間節,尾節長2.5米,靠螺栓聯接,并用中間軸承支承。同時,為了_分節裝配后輸送機的整體剛度,槽體的連接處和螺旋軸的連接處需分開一段距離。由于物料在螺旋輸送機
中的運送_是一種滑移運動,為了使螺旋軸處于較為有利的受拉狀態,設計時將驅動裝置和出料口安裝在輸送機的同一端,把進料口放在尾部附近。

冀公網安備13098102000549號